액세사리

모델명 Pan/Tilt Driver(TP-600PT)

크게보기 카달로그 다운로드

제품개요

본 기기는 옥외에 카메라를 설치하여 보다 많은 곳을 감시하기 위해 상,하,좌,우 회전을 임의로 원격제어할 수 있어 보다 효율적인 감시를 위한 장치이며, 교통정보, 주요시설, 외각 경비들의 시스템을 구성하여 감시목적으로 사용하는 기기이다

주요특징

  • 실외형 Pan/Tilt Drive
  • 고급 소재와 녹 방지용 소재를 사용하여 부식에 강함
  • 우수한 내환경성으로 전천후 사용 가능하며 미려한 디자인 설계
  • 내장된 Motor는 정회전 및 역회전이 가능한 Reversible Motor 사용하여 순간정지 및 순간회전 용이
  • Preset 기능(Option)

Specifications

  • 사용전원 : AC 100V / 220V
  • 회전각도
  • - 좌·우 : 최대 350。
  • - 상 : ±20。 ~ 하 : -70。
  • 회전속도
  • - 좌·우 : 6.9。/초
  • - 상·하 : 3.3。/초
  • 소비전력 : 좌·우, 상·하 : 15W
  • 적재중량 : 최대 15Kg
  • 중량 : 약 12Kg
  • 동작온도 : -35℃ ~ 60℃
  • 동작습도 : 90%이하
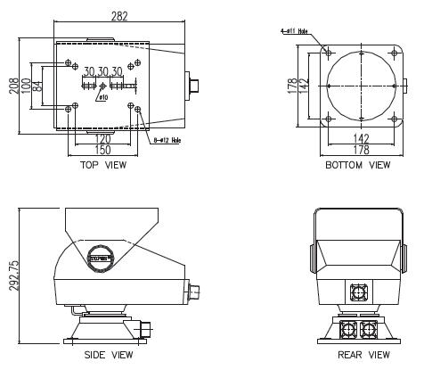
  • 외형치수 : 282(W)x264(H)x208(D)

제품도면

문의 및 연락처

목록